GB/T

GB/T быстрая зарядка постоянным током

Национальный китайский стандарт быстрой зарядки постоянным током для электромобилей.

Нужен контроллер GB/T?

Описание контроллера зарядки

Контроллер предназначен для работы в составе зарядной станции. Поддерживается стандарт GB/T 27930.

Контроллер GB/T
Напряжение питания: 12В ± 5% Потребление: < 5Вт Температура: -40…+80°C Габариты: 125-90-40 мм

Возможности:

  • 2 интерфейса RS485
  • 2 интерфейса CAN
  • 2 канала измерения температуры
  • 2 цифровых входа
  • 1 реле (5А), 1 реле (15А)
  • 1 порт USB Type-C для логирования

Режимы работы:

Схема прямого управления исполнительным механизмом (мотор в разъёме) с автоматическим отпусканием при отключении питания. Контроллер может работать как ведущий или ведомый; режим ведомого нужен для станций с балансировкой мощности.

Протокол связи:

Основной протокол — Modbus RTU. Карта регистров может быть изменена по согласованию с заказчиком.

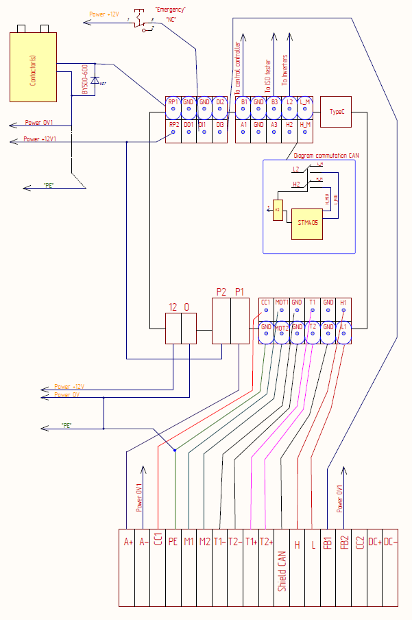
Типовая схема подключения

Схема подключения GB/T

Структурная схема контроллера

Структурная схема GB/T

Нужен контроллер GB/T?

Мы поставляем контроллеры, совместимые с GB/T, с поддержкой сертификации и внедрения.